Nuestros servicios

Ofrecemos una gama de servicios especializados adaptados a tus necesidades individuales. Nuestro enfoque está centrado en comprender y responder a lo que tú requieres, brindando soluciones efectivas y prácticas.

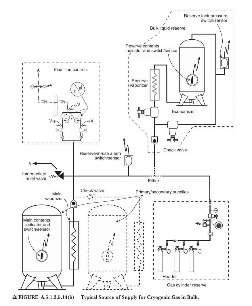
Instalacion de gases medicinales

En SEINCO MEDICAL ofrecemos la instalación profesional y certificada de sistemas de gases medicinales, cumpliendo con normas internacionales de seguridad y calidad para entornos hospitalarios y clínicos. Diseñamos, instalamos y ponemos en marcha sistemas confiables para la distribución segura de oxígeno, óxido nitroso, aire medicinal, vacío, dióxido de carbono y otros gases esenciales, integrando tuberías de cobre grado médico, válvulas, consolas, equipos centrales y realizando pruebas, certificación y documentación conforme a estándares como NFPA 99, HTM e ISO, garantizando seguridad, eficiencia operativa y continuidad en áreas críticas del cuidado del paciente

Pisos de vinil conductivos para quirófanos

En SEINCO Medical realizamos la instalación especializada de pisos vinílicos conductivos y antiestáticos, diseñados específicamente para quirófanos y áreas críticas hospitalarias.

Nuestro servicio garantiza el control de cargas electrostáticas, la seguridad del personal y del paciente, y el cumplimiento de normativas hospitalarias internacionales. Ejecutamos cada proyecto con preparación adecuada del sustrato, soldadura térmica de juntas, instalación de sistema de puesta a tierra y acabados sanitarios, asegurando superficies continuas, higiénicas y de alto desempeño para entornos quirúrgicos.

Diseño de proyectos hospitalarios

En SEINCO Medical desarrollamos el diseño integral de proyectos hospitalarios, enfocado en la funcionalidad clínica, la seguridad del paciente y el cumplimiento normativo.

Nuestro equipo diseña soluciones eficientes para quirófanos, UCIs, áreas críticas y servicios hospitalarios, integrando sistemas de gases medicinales, instalaciones técnicas y distribución de espacios, bajo estándares internacionales. Acompañamos cada proyecto desde la planificación conceptual hasta el diseño ejecutivo, garantizando infraestructuras seguras, operativas y alineadas con las necesidades del entorno clínico.

Venta de equipos médicos

En SEINCO Medical ofrecemos una selección especializada de equipos médicos y soluciones técnicas diseñadas para instalaciones hospitalarias de alto rendimiento. Nos enfocamos en productos que cumplen con los más altos estándares de seguridad, eficiencia y normativa internacional para:

  • Sistemas de Gases Medicinales

  • Compresores de Aire Médico

  • Bombas de Vacío

  • Redes de Distribución Hospitalaria

  • Accesorios y Componentes Certificados

Trabajamos con fabricantes líderes y proporcionamos asesoría experta para la selección del equipo adecuado, integrándolo perfectamente con tus instalaciones. Nuestro objetivo es asegurar equipos fiables, duraderos y optimizados para el cuidado del paciente y la operación segura del hospital.